Current location: Home > Products
Products
  • Features
  • Model Name
  • Specifications
  • Dimension
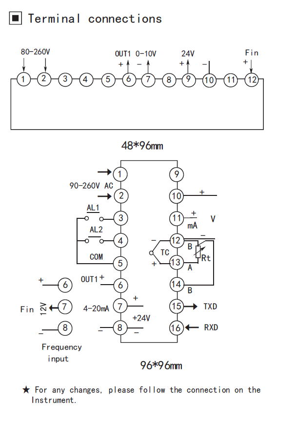
  • Wires Connection
  • Attentions

* FLW series digital flow controller meter, dual line 6 LED display.
* Universal input: A,mA, V, mV.
* Total flow counting, with power fail memory function.
* With or without temperature and pressure compensation, optional when ordering.
* With 2 alarm output, multi control function.
* With or wihtout analog output 4-20mA.
* With or without RS485 communication interface, Modbus RTU protocol.
* Auxiliary power DC 24V/30mA.
* Can be use measure of flux and kinds of automatization system.

Product featuresflow meter

Before installing and using this instrument, please read this user manual carefully in order to operate the unit in the appropriate conditions to avoid any damage. Keep this user manual for future reference.

* The product should be power ON for 15 minutes before operating.
* The appropriate ambient temperature is 0~40℃; relative humidity: 85%.
* The product calibration period is 12 months.
* Avoid shock and impact, prevent operation from heavy dust and poisonous chemical material medica & gas environment.


* If the input signals are has high-frequency interference, an high-frequency filter should be configuared with the wires.
* Avoid long input cable, in case distance between instrument and measuring signals outut end, please use twisted-pair shielded cables, shielded layer should be connected with low end of input signals.
* Keep from the direct sunlight, the stock temperature is -10~70℃/60%(RH). Do not contact the organic solvent and oil.


* If stock in long terms without operation, please connect to power ever 3 months for min. 4 hours each time.
* The complete product contains: product with connection diagram and , instruction manual, installing brackets (1 set), inspection certificate and packing box with product label.
* Guarantee: any defected products under normal operation within 12 months can be returned and replaced by us; Damage by user’s wrong operation can not be replaced, if request to be returned for repair, buyer should take charge of the freight fee, on conditions that large quantities need to be repaired, repair fee should be considered.

Download :

You may also be interested in the following information

More series

  • flow meter FLW 6 LED Display Total Flow Meter Controller
The type ofDigital Flow Meter
FA8 Flow Indicator
FLW Total Flow Meter
Mobile Phone:+86-760-85541652    
微信二维码